Профиль СEIL-S14-SHADOW-T-3000 BLACK (Arlight, Алюминий) 045555 в Севастополе
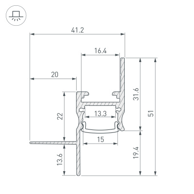
Встраиваемый алюминиевый профиль черного цвета со скрытым фланцем устанавливается в потолки и потолочные ниши из гипсокартона, образуя теневой зазор между потолком и стеной. Такое решение создает визуальный эффект потолка, парящего в воздухе с мягким свечением по периметру комнаты. Габаритные размеры профиля составляют 3000 мм в длину, 41,2 мм в ширину и 51 мм в высоту. Площадка для установки светодиодных лент позволяет использовать ленту шириной до 13,3 мм и мощностью до 33 Вт/м. Это обеспечивает гибкость в выборе светодиодных лент и создает потрясающие световые решения. Экраны, заглушки и другие аксессуары не включены в комплект и приобретаются отдельно. Цена указана за 1 метр профиля. Отличное решение для создания современных световых проектов.
Алюминиевый встраиваемый профиль для светодиодных лент и линеек. Цвет - черный RAL9005 (порошковая окраска). Габаритные размеры (L×W×H): 3000х41,2х51,0 мм. Ширина площадки для ленты 13,3 мм. Экраны, заглушки и другие аксессуары приобретаются отдельно. Цена за 1 метр.
045555 Arlight Профиль Встраиваемый со скрытым фланцем Фигурный Чёрный в Севастополе
Вы можете заказать Профиль Arlight с доставкой или самовывозом в Севастополе
просто достаточно позвонить менеджеру и сообщить артикул товара: 045555 или оформить заказ на сайте Arlight Shop Севастополь
Характеристики
|
Объем м3
|
0.006273 |
|
Гарантия м.
|
36 |
|
Материал корпуса
|
Алюминий |
|
Способ монтажа
|
Встраиваемый со скрытым фланцем |
|
Назначение
|
Для ГКЛ |
|
Форма (сечение)
|
Фигурный |
|
Цвет покрытия
|
Чёрный |
|
Тип товара
|
Профиль |
|
Гарантийный срок
|
3 год(а) |
|
Модельный ряд
|
SHADOW |
|
КПД профиля (cветовой)
|
54 % |
|
Рассеиваемая тепловая мощность на 1м
|
max: 33 W |
|
Ширина световой линии
|
15 мм |
|
Внешний вид поверхности
|
Матовая |
|
Покрытие поверхности
|
Порошковая окраска |
|
Длина
|
3000 мм |
|
Ширина
|
41.2 мм |
|
Высота
|
51 мм |
|
Ширина площадки
|
13.3 мм |
|
Глубина установки источника света
|
12 мм |
|
Кратность цены за 1 м/шт
|
1 |
|
Мощность (прайс)
|
33 Вт |





